发表时间:2022-03-24来源:网络
1、快速定位(G00/G0)
格式:G00 X___ Y___ Z___;
功能:只能快速定位,不能切削加工,可以同时指令一轴、两轴或三轴。

2、直线插补(G01/G1)
格式:G01 X___ Y___ Z___ F ;
功能:可以同时指令一轴、两轴或三轴。
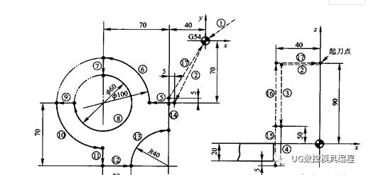
【例】在立式数控铣床上按图所示的走刀路线铣削工件上表面,已知主轴转速300r/min,进给量为200mm/min,试编制加工程序。

O5001;
G90 G54 G00 X155. Y40. S300;
G00 Z50. M03;
Z0.;
G01 X-155. F120;
G00 Y-40. ;
G01 X155.;
G00 Z300. M05;
X250. Y180.;
M30;
3、圆弧插补(G02/G2、G03/G3)


式中:I、J、K——圆心分别在x、y、z轴相对圆弧起点的增量( IJK编程)
【IJK编程与R编程】

①G91方式IJK编程:
(G91 G17)
G02 X30. Y-30.0 I-20. J-50. F120;
② G91方式R编程:
(G91 G17)
G02 X30. Y-30.0 R54. F120;
③ G90方式IJK编程:
(G90 G17 G54)
G02 X90. Y40.0 I-20. J-50. F120;
④ G90方式R编程:
(G90 G17 G54)
G02 X90. Y40.0 R54. F120;
基本移动指令实例
【例】在立式数控铣床上按图所示的走刀路线铣削工件外轮廓(不考虑刀具半径),已知主轴转速400r/min,进给量为200mm/min,试编制加工程序。

O5002;
G17 G90 G54 G00 X0 Y0;
X-35.0 Y-70.0 S400;
Z50.0 M03;
G01 Z-25.0 F1000 M08;
X-60.0 F200;
G03 X-110.0 Y-20.0 50.0;
G01 Y-40.0;
G02 X-140.0 Y-70.0 R-30.0;
G01 X-160.0;
G03 X-110.0 Y-120.0 R50.0;
G01 Y-140.0;
X-80.0;
G02 X-40.0 Y-100.0 R40.0;
G01 Y-65.0;
G00 Z50.0;
Z90.0 M05;
X0 Y0;
M30;
GO3 圆弧插补(逆时针)
G03 X__Y__R__F__;
R:圆弧半径
GO4 暂停
G04 X(U)__; 或 G04 P__;
XU:后是指定暂停时间,其后数值要带小数点,否则以此数值的千分 之一计算,单位为s;
P:指定时间,不允许有小数点(即以整数表示),单位为ms。
GO2.1渐开线插补(顺时针)
G02.1 X__Y__I__J__F__P;
IJ:圆弧中心坐标
P:螺距数,回转数
GO3.1渐开线差补(逆时针)
G03.1 X__Y__I__J__F__P;
IJ:圆弧中心坐标
P:螺距数,回转数
GO2.3
指数函数插补(正转)
G02.3 X__Y__I__J__R__F__Q__I;
IJ:角度
R:定数值
F:初期进给速度
Q:终点进给速度
G03.3
指数函数插补(反转)
G03.3 X__Y__I__J__R__F__Q__ I;
IJ:角度;
R:定数值;
F:初期进给速度
Q:终点进给速度
G05
高速高精度制御Ⅰ
G05 P10000 高速高精度制御开启
G05 P0 高速高精度制御关闭
G05 P3 高速加工开启
G05 P0 高速加工关闭

G05.1
高速高精度制御Ⅱ
G05.1 Q1 高速高精度制御开启
G05.1 Q0 高速高精度制御关闭
G05.2 Q2 X0 Y0 Z0 自由曲面高精度模式开启
G05.1 Q0 自由曲面高精度模式关闭
G07.1
圆筒插补
G07.1 C__;
C:圆筒半径
G09
正确停止检查
G10
程式参数输入/补正输入
G90 G10 L2 P__Xp__Yp__Zp__;
G91
P:0 外部工件坐标
P:为0~6以外数字时,P之值视为1。P省略时,视为现在选择中的工件坐标补正量输入
G10 L10 P__R__;
P:补正号
R:补正量
G10 L10 P__ R__ ;长补正形状补正
G10 L11 P__ R__ ;长补正磨耗补正
G10 L12 P__ R__ ;径形状补正
G10 L13 P__ R__ ;径磨耗补正
G11
程式参数输入取消
G12
圆切削CW
G12 I__D__F__;
I:圆的半径(增量值)
D:补正号
①从圆心下刀
②以圆弧方式逼近轮廓
③铣圆弧路径
G12.1
极坐标插补模式开始
G13
圆切削CCW
G13 I__D__F__;
I:圆的半径(增量值)
D:补正号
G13.1
极坐标插补模式取消
G15
极坐标指令取消
G15取消G16极坐标指令
G16
极坐标指令有效
N1005 G16;
N1010 G90 G01 X__Y__;
……
N2000 G15;
其中N1010句中的X__表示极坐标半径,Y__表示角度
G17
平面选择X-Y
铣削M36*0.75螺纹
G18
平面选择X-Z
G19
平面选择Y-Z
G20
英制指令
G21
公制指令
G27
参考原点检查
G28
返回参考原点
G28 X__ Y__ Z__;
G29
开始点复位
G29 X__ Y__ Z__;
G30
在第2~4参考原点复位
G30 P2(P3,P4) X__ Y__ Z__;
G30.1
复位刀具位置1
G30.2
复位刀具位置2
G30.3
复位刀具位置3
G30.4
复位刀具位置4
G30.5
复位刀具位置5
G30.6
复位刀具位置6

G31
跳跃
G31.1
跳跃1
G31.2
跳跃2
G31.3
跳跃3
G32
螺纹切削(普通导程)
G32 Z__F__Q__;
Z:螺纹切削方向轴位址及螺纹长度;
F:长轴(移动量最多的轴)方向的导程
Q:螺纹切削开始位移角度(0~360°)
G33
螺纹切削(精密导程——英制螺纹)
G33 Z__E__Q__;
Z:螺纹切削方向轴位址及螺纹长度
E:长轴(移动量最多的轴)方向的导程,1英寸中含有 的牙数
Q:螺纹切削开始位移角度(0~360°)
G34
圆周排列孔循环
G34 X__Y__I__J__K__;
XY:圆周孔循环的中心位置
I:圆半径,正数表示
J:最初钻孔点的角度,反时针方向为正
K:钻孔个数,范围1~9999,不可为0,反时针方向为 正,顺时 针方向为负
G35
直线角度排列孔循环
G35 X__Y__I__J__K;
XY :起点的坐标,受G90/G91的影响
I :间隔,两孔之间的直线距离
J :角度,阵列方向与X轴的夹角,反时针方向为正
K :孔的个数(包括起点在内),设定范围为1~9999
G36
圆弧排列孔循环
G36 X__Y__I__J__P__K__;
XY:圆弧中心坐标
I:圆弧半径
J:最初钻孔点的角度,反时针方向为正
P:角度间隔
K:孔的个数
G37
自动刀长测定
G37 Z__R__D__F__;
Z:量测轴位置及测定位置的坐标值
R:以量测速度开始移动的点至测定位置的距离
D:刀具停止范围限定
F:量测速度
G37.1
棋盘排列孔循环
G37.1 X__Y__I__P__J__K__
XY:起点坐标
I:X轴间隔
P:X轴方向的个数。指定范围1~9999
J:Y轴的间隔
K:Y轴方向的个数
G38
刀径补正 向量指定
G38 I__J__;
仅在径补正模式中使用
G39
刀径补正 转角圆弧补正
G39 X__ Y__
仅在径补正模式中使用
G40
刀径补正 取消
G41
刀径补正 左
G42
刀径补正 右
G40.1
法线制御 取消
G40.1 X__Y__F__;
G41.1
法线制御 左 有效
G41.1 X__Y__F__;
G42.1
法线制御 右 有效
G42.1 X__Y__F__;
G43
刀具长设定 (+)
G43 Z__H__;
……;
G49 Z__;
G44
刀具长设定 (-)
G44 Z__H__;
……;
G49 Z__;
G49
刀具长设定 取消
G43.1
第1主轴制御 有效
G44.1
第2主轴制御 有效
G45
刀具位置设定 (扩张)
G45 X__D__;
以补正量记忆区中设定的补正量,作移动方向的伸长量

G46
刀具位置设定 (缩小)
G46 X__D__;
以补正量记忆区中设定的补正量,作移动方向的缩小量
G47
刀具位置设定 (二倍)
G47 X__D__;
以补正量记忆区中设定的补正量的2倍,作移动方向的伸长量
G48
刀具位置设定 (减半)
G48 X__D__;
以补正量记忆区中设定的补正量的2倍,作移动方向的缩小量
G47.1
2主轴同时制御 有效
G50
比例缩放 取消
G51
比例缩放 有效
G51 X__Y__Z__P__;
XYZ:比例缩放中心坐标
P:比例缩放倍率
G50.1
G指令镜像 取消
G50.1 X0;
G50.1 Y0;
G50.1 Z0;
取消哪个轴就在G50.1后输入哪个轴
G51.1
G指令镜像 有效
G51.1 X0;
G51.1 Y0;
G51.1 Z0;
镜像哪个轴就在G51.1后输入哪个轴
G52
局部坐标系设定
G53
机械坐标系选择
G54
工件坐标系 1 选择
G55
工件坐标系 2 选择
G56
工件坐标系 3 选择
G57
工件坐标系 4 选择
G58
工件坐标系 5 选择
G59
工件坐标系 6 选择
G54.1
工件坐标系选择扩张48 组
G60
单方向位置定位
G60 X__Y__Z__;
G61
正确停止检查模式
G61.1
高速高精度制御
G61.1 X__Y__F__;
G62
自动转角进给率调整
G63
攻牙模式
切削百分率固定为100%
进给保持无效
单节停止无效
G63.1
同期攻牙模式 (正攻牙)
G63.2
同期攻牙模式 (逆攻牙)
G64
切削模式
G65
使用者巨集 单一呼叫
G66
使用者巨集 状态呼叫A
G66.1
使用者巨集 状态呼叫B
G67
使用者巨集 状态呼叫C
G68
坐标旋转 有效
G17 G68 X0 Y0 R__;
R:旋转角度,反时针方向为正,范围-360.000~+360.000
G69
坐标回转 取消
G70
使用者固定循环
G71
使用者固定循环
G72
使用者固定循环
G73
固定循环 (步进循环)
G73 X__Y__Z__R__F__S__Q__;
XYZ:孔位置资料
Q:步尽量
R:R点
F:进给速度
S:主轴转速
G74
固定循环 (反向攻牙)
G74 X__Y__Z__R__Q__F__S__X__Y__;
Z:孔位置资料
R:R点
Q:步进量
F:进给速度
S:主轴转速
其中F和S数值为:转速 * 螺距 = 进给

G75
使用者固定循环
G76
固定循环 (精搪孔)
X、Y轴定位后,Z轴快速运动到R点,再以F给定的速度进给到Z点,然后主轴定向 并向给定的方向移动一段距离,再快速返回初始点或R点返回后,主轴再以原来的转速和方向旋转
注意:注意检查主轴定向后刀尖的方向与要求是否相符
G77
使用者固定循环
G78
使用者固定循环
G79
使用者固定循环
G80
固定循环取消
G81
固定循环(钻孔/铅孔)
G8?(G7?) X_Y_Z_R_Q_P_F_L_S_,S_,I_,J_;
G8?(G7?) X_Y_Z_R_Q_P_F_L_S_,R_,I_,J_;
G8?(G7?) :孔加工模式
XYZ:孔位置资料
RQPF:孔加工资料(R:指R点 Q:每次切削量的指定,增量值输入
P:暂停时间
F:钻孔速度或螺纹的螺距)
L:重复次数
S:主轴旋转速度
R:同期切换或是规复时的主轴旋转速度
I:位置定位轴定位宽度
J:钻孔轴定位宽度
G82
固定循环(钻孔/计数式搪孔)
G82 X__Y__Z__R__F__P__;
P:暂停时间
G83
固定循环(深孔钻)
G83 X__Y__Z__R__Q__F__;
Q:每次切削量,增量输入
G84
固定循环(攻丝)三菱系统
G84 X__Y__Z__R__F__P__;
F:螺距
P:暂停时间
固定循环(攻丝)法兰克系统等
G84 X__Y__Z__R__F__S__;
XYZ:孔位置资料
R:R点
F:进给速度
S:主轴转速
其中F和S数值为:转速 * 螺距 = 进给
G85
固定循环(镗进镗出)
该固定循环非常简单,执行过程如下:
X、Y轴定位,Z轴快速到R点,以F速度进给到Z点,以F速度返回R点。
G86
固定循环(镗孔)
该固定循环的执行过程和G81相似,不同之处是G86中刀具进给到孔 底时使主轴停止
快速返回到R点或初始点时再使主轴旋转
G87
固定循环(反镗孔)
G87循环中,X、Y轴定位后,主轴定向,X、Y轴向指定方向移动由加工参数Q给定的距离,以快速进给速度运动到孔底(R点),X、Y轴恢复原来的位置,主轴以给定的速度和方向旋转,Z轴以F给定的速度进给到Z点,然后主轴再次定向,X、Y轴向指定方向移动Q指定的距离,以快速进给速度返回初始点,X、Y轴恢复定位位置,主轴开始旋转
注意事项同G76
G88
固定循环(镗孔)
G88是带有手动返回功能的用于镗削的固定循环
G89
固定循环(搪孔)
G90
绝对值指令
G90 X__Y__Z__;
G91
增量值指令
G91 X__Y__Z__;
G92
机械坐标系设定
G92 S__Q__;
S:最高钳制转速;
Q:最低钳制转速
G92.1
工件坐标系设定
G93
逆时间进给
G94
非同期进给(每分进给)
G95
同期进给(每转进给)
G96
周速一定制御 有效
G96 S__P__;
S:周速度
P:周速一定控制轴指定
G97
周速一定制御 取消
G98
固定循环 起始点归复
G99
固定循环 R点归复
G113
主轴同期控制 取消
G114.1
主轴同期控制 有效
G114.1 H__D__R__A__;
H:基准主轴选择
D:同期主轴选择
R:同期主轴相位偏移量
A:主轴同期加减速时间常数
上一篇:网络编程基础及代码实现
皓盘云建最新版下载v9.0 安卓版
53.38MB |商务办公
ris云客移动销售系统最新版下载v1.1.25 安卓手机版
42.71M |商务办公
粤语翻译帮app下载v1.1.1 安卓版
60.01MB |生活服务
人生笔记app官方版下载v1.19.4 安卓版
125.88MB |系统工具
萝卜笔记app下载v1.1.6 安卓版
46.29MB |生活服务
贯联商户端app下载v6.1.8 安卓版
12.54MB |商务办公
jotmo笔记app下载v2.30.0 安卓版
50.06MB |系统工具
鑫钜出行共享汽车app下载v1.5.2
44.7M |生活服务