发表时间:2022-03-25来源:网络
原标题:邹军:学东西千万不要搞复杂,数控编程要学习最简单实战的招
(在没有人指引你的时候,你靠自己的能力,或者靠自己一点点去打通去积累,是很慢的,如果别人把自己的经验倾囊相授,你可以少走很多弯路。【跟邹军学数控编程】,让你成为经验丰富的编程高手。想学习《UG编程》仅需1980元,《宏编程》仅需1280元,包学会。学习微信:steven52014)
数控加工,从图纸的分析→工艺路线确定→产品装夹→刀具选择→程序编制→数控加工,最终环节要反应在数控程序上面!掌握数控编程是一基本功!
学会实用的数控编程技能,你就不缺机会,自然就不缺赚钱的路子!
如何学数控编程实招?
如果你不再想被网络上乱七八糟的内容搞的茫然不知所措的找不到北的话,我过去10年的学习数控编程的经历,也许能够给你一些启发。
邹军:学东西千万不要搞复杂,编程要学习最简单的实招。
两步骤:
第一步:牢牢树立一个思想,那就是世上无难事,只要肯分解
第二步:开始分解这件事
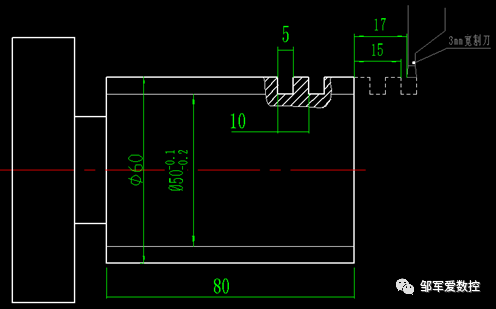
举个例子,采用“借刀方法”编写矩形螺纹程序的例子

具体分解为了两部分:
1, X方向的“分层”
2, Z方向的“分层”
一、X向的分层
若工件外圆为D60,底径为D50 ,因程序比较简单,不在赘述,部分程序如下:
#1=60
N05#1=#1-0.4
IF[#1LE50]THEN#1=50
……
…(略去车螺纹段)…
……
IF[#1 GT 50] GOTO05 (如果没车到底径50,就回上去继续车)
二、Z向的分层

假如3mm割刀的螺纹循环z向起点设定在工件外一点,部分程序如下:
#2=17.5
N08#2=#2-0.5;
IF[#2LE15]THEN#2=15
……
…(略去车螺纹段)…
……
IF[#2 GT 15] GOTO08;
简单吗?和上面X分层的程序如出一辙,就这样完成了Z方向的借刀。
分析到这儿,你是不是思路清晰多了,我就直接上程序了,如下:

%
O16(用切槽刀,车锯型螺纹程序)
N01 G54 S600 M03; (设定坐标系,指定主轴转速,主轴正转)
N02 T0101; (刀位号和刀补号)
N03 G00 X150 Z200; (快速到达总起始点)
N04 #1=60; (#1代表车各层的X指令值,赋#1=60代表车0层的值)
N05#2=[17+0.5] (#2代表车各刀的Z指令值,赋17.5代表车0层的值)
N06#1=#1-0.4; (算出X向吃刀深度值)
N07 IF[#1LE 50]THEN#1=50 (防止X向过切)
N08 G00X70 (抬刀)
N09 #2=#2-0.5; (算出Z向借刀值)
N10IF[#2LE15]THEN#2=15 (防止Z向过切)
N11 G00 Z#2 (Z向到达车这刀螺纹循环起始点)
N12 G00 X#1 ( X向到达车这刀螺纹循环起始点)
N13 G32 Z-85 F10; (车一刀)
N14 IF[#2 GT 15]GOTO 08; (没车到左边界就回上去继续车)
N15 IF[#1 GT 50]GOTO 05 (没车到螺纹底径,就回上去继续车)
N16 G00 X150
N17 Z200 M05;
N18 M30;
%返回搜狐,查看更多
责任编辑:
皓盘云建最新版下载v9.0 安卓版
53.38MB |商务办公
ris云客移动销售系统最新版下载v1.1.25 安卓手机版
42.71M |商务办公
粤语翻译帮app下载v1.1.1 安卓版
60.01MB |生活服务
人生笔记app官方版下载v1.19.4 安卓版
125.88MB |系统工具
萝卜笔记app下载v1.1.6 安卓版
46.29MB |生活服务
贯联商户端app下载v6.1.8 安卓版
12.54MB |商务办公
jotmo笔记app下载v2.30.0 安卓版
50.06MB |系统工具
鑫钜出行共享汽车app下载v1.5.2
44.7M |生活服务
2022-03-26
2022-03-26
2022-03-26
2022-03-26
2022-03-26
2022-03-26
2022-03-26
2022-03-26
2022-02-15
2022-02-14